Silicon-Controlled Rectifiers (SCRs), also known as thyristors, are essential components in power electronics. They play a crucial role in controlling and managing electrical power across various applications. SCRs are highly valued for their ability to handle high voltage and current levels, making them ideal for tasks like power regulation, switching, and conversion. They are particularly useful in industrial settings, renewable energy systems, motor drives, and research applications where precise control over power flow is critical. SCRs are known for their reliability, efficiency, and robust thermal management, which are vital for maintaining system stability and longevity.
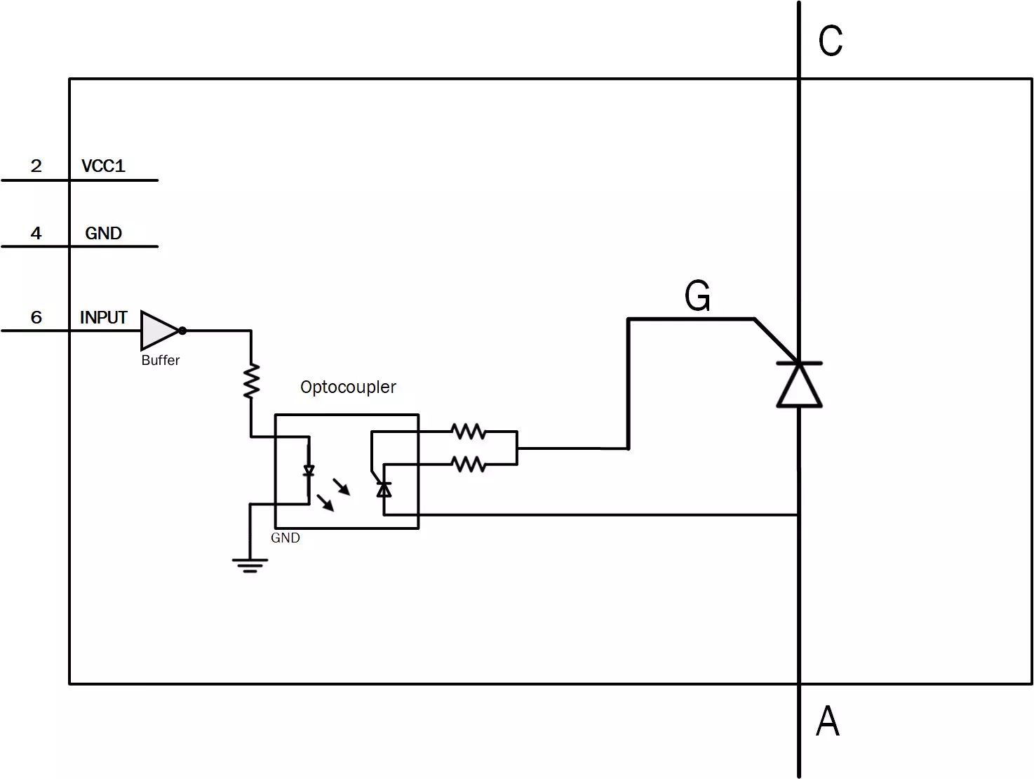
One of the standout features of SCRs is their ability to function as solid-state switches. This means they can control power efficiently without relying on mechanical components, reducing wear and tear and minimizing maintenance needs. SCRs also provide excellent overload protection, ensuring that power systems can handle sudden surges or fluctuations without damage. For example, PEModule’s SCR modules, such as the 1200V/79A standard recovery diodes, are designed to operate in demanding environments where precision and reliability are non-negotiable.
PEModule has transformed the way engineers and researchers work with power electronics through its innovative PLUGY System. This system simplifies the integration and management of power electronics components, including SCRs and diodes, by offering a modular and user-friendly platform. With the PLUGY System, users can easily assemble, test, and optimize power electronics circuits without the usual complexity associated with high-power systems. Standardized components, like the 1200V/79A SCR thyristor modules, ensure compatibility and reliability across a wide range of applications.
The modular design of the PLUGY System is especially beneficial for research and development. Engineers can quickly swap components, test different configurations, and analyze performance metrics without extensive rewiring or custom fabrication. This flexibility speeds up the development process and reduces time-to-market for new technologies. Additionally, the system’s integrated thermal management and firing gate drivers enhance safety and efficiency, ensuring that power electronics systems operate within optimal parameters.
Beyond the PLUGY System, PEModule offers a comprehensive range of power electronics solutions tailored for industrial and research applications. From high-performance SCR modules to advanced diode systems, PEModule’s products are designed to deliver exceptional performance, reliability, and ease of use. By combining cutting-edge technology with user-centric design, PEModule empowers engineers and researchers to tackle complex power electronics challenges with confidence.
In conclusion, SCRs are indispensable in power electronics, offering unmatched control, efficiency, and reliability in high-power applications. PEModule’s PLUGY System and other solutions make power electronics more accessible by providing modular, standardized, and user-friendly platforms. Whether for industrial automation, renewable energy, or advanced research, PEModule’s innovative approach ensures that power electronics systems are both powerful and easy to manage, paving the way for future advancements in the field.




