The realm of power electronics is a cornerstone of modern technology, underpinning numerous applications ranging from renewable energy systems to electric vehicles and industrial automation. At the heart of this domain lies the critical role of custom boards, such as filter boards, sensor boards, MMC (Modular Multilevel Converter) boards, and NPC (Neutral Point Clamped) boards, which have revolutionized how we interact with and harness electrical power. These specialized boards offer unparalleled flexibility and precision, enabling engineers and researchers to tailor their designs to meet specific requirements and achieve optimal performance. The advent of custom boards has simplified research and development processes, allowing for rapid prototyping and deployment of complex power systems. This transformation has been further catalyzed by companies like PEModule, whose innovative solutions, including the PLUGY System, have democratized access to advanced power electronics technologies.
Filter boards are indispensable in mitigating electromagnetic interference (EMI) and ensuring clean power delivery. In high-frequency switching applications, such as those found in renewable energy inverters and motor drives, EMI can degrade system performance and lead to operational failures. Custom filter boards provide targeted solutions by incorporating precise components that attenuate unwanted noise without affecting the desired signal. This capability not only enhances system reliability but also extends the lifespan of sensitive electronic components. Moreover, the ability to customize these boards allows engineers to address unique challenges posed by different environments and application scenarios, thereby optimizing overall system efficiency.
Sensor boards play a crucial role in monitoring and controlling power electronics systems. They enable real-time data acquisition, providing vital insights into system parameters such as voltage, current, temperature, and pressure. By integrating various sensors onto a single board, researchers can obtain comprehensive and accurate readings that inform decision-making processes. This level of granularity facilitates predictive maintenance, fault detection, and dynamic system adjustments, all of which contribute to enhanced performance and reduced downtime. Furthermore, the modular nature of sensor boards allows for seamless integration with other components, fostering a cohesive and adaptable system architecture.
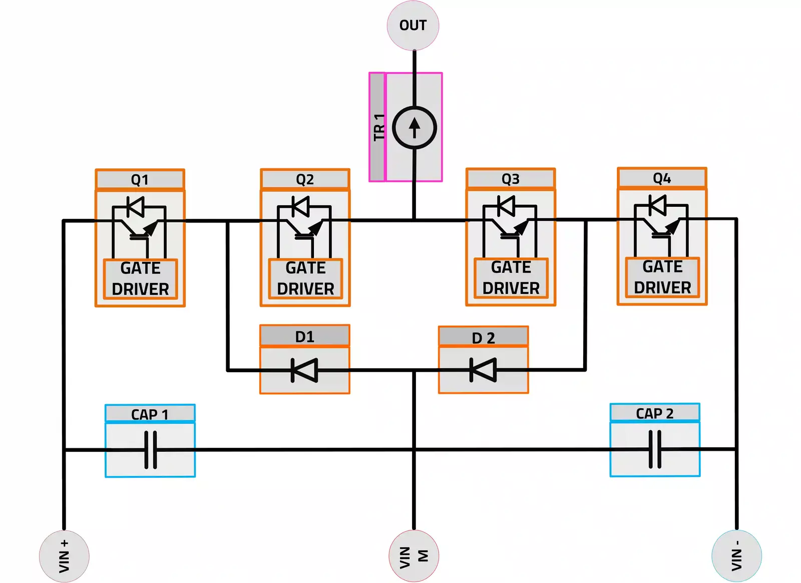
MMC boards represent a significant advancement in the design of high-power converters. Traditionally, achieving high-voltage and high-current outputs required large and cumbersome transformers and capacitors. However, MMC boards leverage the concept of modularity to distribute the load across multiple sub-modules, each capable of handling a portion of the total power. This approach offers several advantages, including scalability, redundancy, and improved efficiency. By configuring the number and arrangement of sub-modules, engineers can tailor the converter to meet specific power demands, whether it be for grid-tied solar inverters or high-capacity battery storage systems. Additionally, the inherent modularity of MMC boards simplifies maintenance and upgrades, reducing both cost and complexity.
NPC boards, on the other hand, address the challenge of neutral point balancing in three-phase power systems. In conventional topologies, unbalanced voltages at the neutral point can lead to harmonic distortions and inefficient power utilization. NPC boards employ a multi-level structure to mitigate these issues, ensuring stable and balanced operation even under varying load conditions. This stability is particularly important in applications where power quality is paramount, such as medical devices, data centers, and telecommunications infrastructure. The ability to fine-tune the neutral point balance through custom-designed NPC boards provides engineers with the tools they need to deliver reliable and high-performance solutions.
PEModule has emerged as a leader in making power electronics accessible and user-friendly through its suite of innovative products, notably the PLUGY System. This system embodies the principles of modularity and customization, offering a versatile platform for developing and deploying power electronics solutions. With the PLUGY System, users can implement virtually any application in just a few seconds, thanks to its intuitive interface and pre-configured modules. Whether it's designing a custom filter board, integrating a sensor array, or building an MMC-based converter, the PLUGY System streamlines the process, delivering rigid and accurate outputs consistently. Furthermore, PEModule's commitment to excellence is evident in its support for other systems, ensuring compatibility and interoperability across a wide range of applications.
In conclusion, the importance of custom boards in power electronics cannot be overstated. Filter boards, sensor boards, MMC boards, and NPC boards each bring unique capabilities that enhance system performance, reliability, and adaptability. The invention of these custom boards has simplified research and development, empowering engineers to innovate and create cutting-edge solutions with unprecedented ease. Companies like PEModule have played a pivotal role in this evolution, providing tools and platforms that make dealing with power electronics straightforward and efficient. Through systems like the PLUGY System, PEModule has enabled users to harness the full potential of power electronics, unlocking new possibilities and driving technological progress forward. As the demand for smarter, more efficient power systems continues to grow, the role of custom boards will remain central to meeting these challenges and shaping the future of our electrified world.










