PEM.HP.REC.03.B
Description:
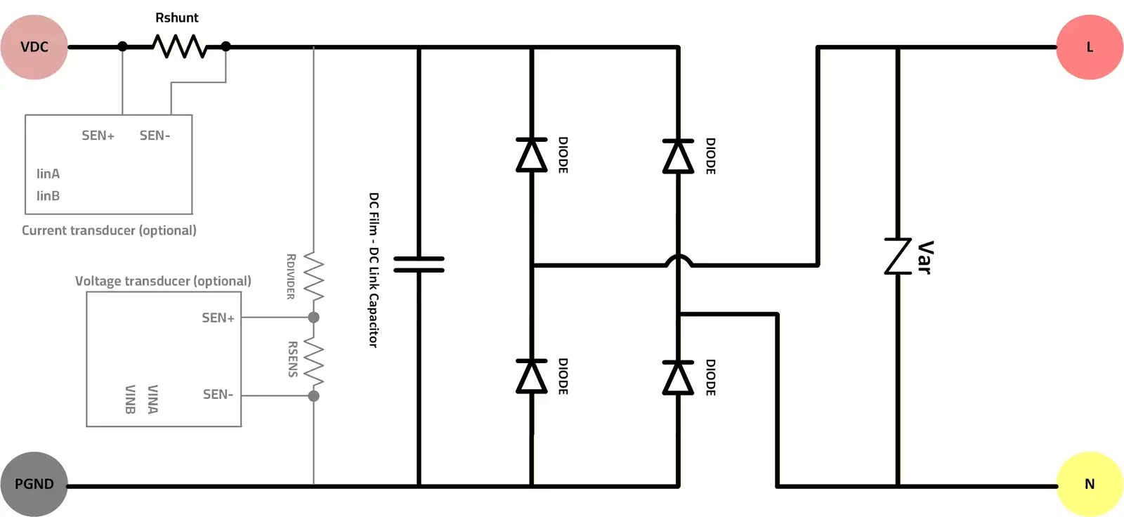
The PEModule PLUGY HP System offers High-Power Single Phase Rectifier Module designed for High frequency applications including DC film - DC Link current and voltage measurement.
Main Features:
- Easy to Replace DC-Link Capacitor Module.
- Forced Air Convection cooling option up-to 120W power dissipation.
- Natural Convection cooling option up-to 35W power dissipation.
- On Board Chopper Circuit.
- Open Power Terminals for multiple configurations
- Compact Size Width 10CM X Length 24CM X Height 12CM.
Follow us!
Follow us!
Chopper Circuit
| Parameter | Symbol | Value | Unit |
|---|---|---|---|
| Reverse voltage | VRRM | 1200 | V |
| Leakage Current (1) | IR | 14 | u A |
| Threshold voltage (2) | VF0 | 0.67 | V |
| Diode slope resistance (2) | RF0 | 10 | m Ω |
| Total capacitance (3) | CJ | 43 | pF |
| Total capacitive charge (3) | Q Cj | 65 | nC |
| Input Voltage Peak | Vin | 800 | V |
| DC Output Current | Iout | 20 | A |
| Power Losses Dissipation (4) | Plosses | 35 | W |
| Heat Sink Thermal Resistance | R thHS | 1.57 | C/W |
(1) VR = 1200V, TVj = 175 C.
(2) TVj = 150 C. Note that: These parameters are used in conduction losses calculations.
(3) di/dt = 200 A/μs, VR = 800 V
(4) Ta = 25 C.





